醫用離心電機HC係列
產品詳情
1.產品簡介
HC係列醫用離心電機是額定電壓為110/220V,頻率為50/60Hz的單相串勵電動機,既可在直流電源上使用,又可在單相交流電源上使用。根據電機輸出功率的不同,有25W、40W、80W、90W四種電機可供客戶選擇。轉速最高可達到16000rpm,我公司可以根據客戶需求設計製造不同轉速的電機。
①產品特點:產品具有力能指標好、噪音低、振動小、溫升低、轉速平穩度高、控製方便等諸多優點。電機使用電源範圍寬,可適應不同地區不同電壓要求
②應用範圍:產品主要用於離心式儀器,作為醫療化驗檢測之用。
③使用說明:
A.電機絕緣等級為B級。
B.電機的旋轉方向可按用戶要求生產
C.引出線的引線顏色、規格和長度可按客戶要求生產
D.輸出軸的長短可以按客戶要求設計製作
E.工作電壓及頻率可按客戶要求生產
2.技術參數
| 型號 | 額定電壓 | 頻率 | 額定電流 | 輸出功率 | 轉速 |
| HC25 | 220V | 50Hz | 0.4A | 25W | 4000 |
| HC40 | 220V | 50/60Hz | 0.6A | 40W | 4000 |
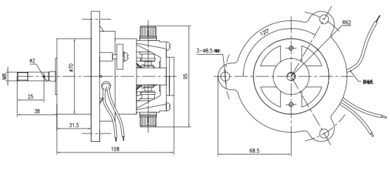
3.結構圖紙


上一頁:EC草莓视频不看不行Q20
下一頁:縫紉機電機



